

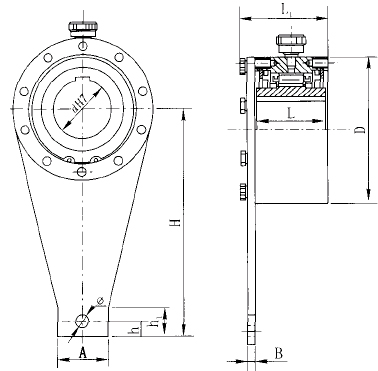
基本參數和尺寸
| 型號 | 額定逆力矩Nm | 孔徑范圍mm | 內圈最高轉速r/min | 空轉阻力矩Nm | 結構盡寸 | 最大重量 | ||||||
| A | B | D | H | h | L | L1 | ||||||
| NYD65 | 1600 | 50~65 | 150 | 4 | 50 | 6 | 160 | 226 | 30 | 16 | 13.5 | 85 |
| NYD75 | 2500 | 60~75 | 5 | 65 | 6 | 170 | 269 | 35 | 19 | 16.5 | 85 | 106 |
| NYD85 | 6000 | 70~80 | 8 | 95 | 9 | 210 | 329 | 45 | 29 | 20.5 | 110 | 135 |
| NYD95 | 8000 | 80~95 | 10 | 105 | 9 | 230 | 382 | 55 | 32 | 20.5 | 110 | 138 |
| NYD110 | 11000 | 90~110 | 15 | 110 | 1 | 270 | 425 | 60 | 40 | 26 | 110 | 141 |
| NYD130 | 16000 | 100~130 | 100 | 20 | 120 | 12 | 320 | 506 | 65 | 36 | 26 | 130 |
| NYD160 | 25000 | 120~160 | 35 | 120 | 20 | 360 | 612 | 65 | 32 | 31 | 140 | 183 |
| NYD200 | 38000 | 160~200 | 45 | 130 | 20 | 430 | 623 | 70 | 43 | 41 | 160 | 207 |
NJ(NYD)型逆止器
掃描二維碼分享到微信